ENVÍO GRATIS EN TU COMPRA SUPERIOR A $160.000
¡Hola!
Iniciá sesión
O podés registrarte
0
(
)
x
¡Agregado al carrito!
Categorías
Cargadores
Arma corta
Arma larga
Escopeta
Cargador rápido
Varillas
Accesorios
Cachas
Militaria
Optica
Miras telescopicas
Colimadores
Prismáticos y telémetros
Pistoleras
Pistoleras externas
Pistoleras internas
Portacargadores
Montajes
Anillas
Bases
Arma Corta
Subfusiles
Escopeta
Pistola
Glock
Hi Power
Fusil - Subfusil
Revolver
Escopeta
Chokes
Mantenimiento
Cepillos y baquetas
Kits de limpieza
Municion Inerte
Fuerzas de seguridad
Libros y manuales
Correas - Portacorreas
Herramientas
Bipodes
Lasers y linternas
Protección y seguridad
Maletines para armas
Cajas Porta Munición
Repuestos
Beretta
Beretta 71
Beretta 92
Beretta 1934
Beretta PX4
Otros
Boito - Iga Gaucha
Colt
Colt 1903
Colt 1911
Colt Officer
Colt Police Positive / Detective Spl
Colt Woodsman
Colt AR-15
CZ
CZ 75
CZ 92
CZ 452
CZ 527
CZ 550
FN Browning
FN 1900
FN 1906
FN 1910
Buckmark
Browning A-BOLT
Browning ATD
FN FAL - FSL - FAP
Glock
Hecker and Koch
High Standard 200
Industria Argentina
Ballester Molina
45 acp
22 Lr
Bersa
Bersa TPR/XT/Thunder Pro 9-40
Bersa Thunder 22
Bersa Thunder 380
Bersa BP9
Bersa 62-64
Bersa Piccola - Lusber 844 - 23 - 223
Fabricaciones Militares
FM Browning Hi Power
FM Isleña
FM Deportiva
Fundalum
Halcon
Halcón 52
Halcon 73
Industrias Marcatti (Bataan)
Bataan 54
Bataan 71
Bataan 82
Bataan 90
Industrias Venturini
Rubi 65
Rubi 70
Rubi 84
Pistola Rubi
Revolver Rubi
Mahely
Pistola Mahely
Carabina Mahely
Saurio
500
600
700
Tala
Pistola Tala
Carabina Tala
Revolver Tala
Ithaca 37
Luger P08
Mauser
Mauser 1909 Argentino / Mauser 98
Mauser 1891
Mauser C96
Mauser 1910/1914
Marlin
Marlin 60
Marlin 336
Marlin 795-880-883 y Otros
Marlin 1894-1889
Marlin 1895
Magtech
Magtech 586
Magtech 70/22
Mossberg 500
Maverick 88
Norinco
Norinco JW-20
Norinco JW-15
Norinco HL12-102
Remington
Remington 552
Remington 572
Remington 597
Remington 700
Remington 870
Remington 1100 - 1187
Rolling Block
Rossi
Revolver
Carabina a palanca
Carabina a trombon
Escopeta monotiro
Ruger
Ruger 10/22
Ruger M77
Revolver Ruger
Savage
Savage 110
Sig Sauer
Smith and Wesson
Steyr - Mannlicher
Mannlicher 1905
Taurus
85
Taurus PT-945
Taurus PT-940
Taurus PT-111/138/140
Taurus PT 92 99 100 101
Walther
Walther PP
Walther P-22
Walther P-38
Walther P-99
Winchester
Winchester 62A
Winchester 63
Winchester 70
Winchester 190
Winchester 1300
Winchester 1400
Winchester 1892
Winchester 9422
Winchester 94 AE
Tanfoglio
Tanfoglio GT-27
Percutores varios
Shot Buffers
Aparatos de punteria - Varios
Culatas - Chimazas - Pistol Grips
Partes antiguas
Kit de repuestos
Kit de Resortes para armas
Hatsan
Recarga
Dies
Accesorios
Repuestos Armas Nacionales
Ballester Molina
45 acp
22 Lr
Bersa
Bersa TPR/XT/Thunder Pro 9-40
Bersa Thunder 22
Bersa Thunder 380
Bersa BP9
Bersa 62-64
Bersa Piccola - Lusber 844 - 23 - 223
Fabricaciones Militares
FM Browning Hi Power
FM Isleña
FM Deportiva
Fundalum
Halcon
Halcón 52
Halcon 73
Industrias Marcatti (Bataan)
Bataan 54
Bataan 71
Bataan 82
Bataan 90
Industrias Venturini
Rubi 65
Rubi 70
Rubi 84
Pistola Rubi
Revolver Rubi
Mahely
Pistola Mahely
Carabina Mahely
Saurio
500
600
700
Tala
Pistola Tala
Carabina Tala
Revolver Tala
Repuestos
Beretta
Beretta 71
Beretta 92
Beretta 1934
Beretta PX4
Otros
Boito - Iga Gaucha
Colt
Colt 1903
Colt 1911
Colt Officer
Colt Police Positive / Detective Spl
Colt Woodsman
Colt AR-15
CZ
CZ 75
CZ 92
CZ 452
CZ 527
CZ 550
FN Browning
FN 1900
FN 1906
FN 1910
Buckmark
Browning A-BOLT
Browning ATD
FN FAL - FSL - FAP
Glock
Hecker and Koch
High Standard 200
Industria Argentina
Ballester Molina
45 acp
22 Lr
Bersa
Bersa TPR/XT/Thunder Pro 9-40
Bersa Thunder 22
Bersa Thunder 380
Bersa BP9
Bersa 62-64
Bersa Piccola - Lusber 844 - 23 - 223
Fabricaciones Militares
FM Browning Hi Power
FM Isleña
FM Deportiva
Fundalum
Halcon
Halcón 52
Halcon 73
Industrias Marcatti (Bataan)
Bataan 54
Bataan 71
Bataan 82
Bataan 90
Industrias Venturini
Rubi 65
Rubi 70
Rubi 84
Pistola Rubi
Revolver Rubi
Mahely
Pistola Mahely
Carabina Mahely
Saurio
500
600
700
Tala
Pistola Tala
Carabina Tala
Revolver Tala
Ithaca 37
Luger P08
Mauser
Mauser 1909 Argentino / Mauser 98
Mauser 1891
Mauser C96
Mauser 1910/1914
Marlin
Marlin 60
Marlin 336
Marlin 795-880-883 y Otros
Marlin 1894-1889
Marlin 1895
Magtech
Magtech 586
Magtech 70/22
Mossberg 500
Maverick 88
Norinco
Norinco JW-20
Norinco JW-15
Norinco HL12-102
Remington
Remington 552
Remington 572
Remington 597
Remington 700
Remington 870
Remington 1100 - 1187
Rolling Block
Rossi
Revolver
Carabina a palanca
Carabina a trombon
Escopeta monotiro
Ruger
Ruger 10/22
Ruger M77
Revolver Ruger
Savage
Savage 110
Sig Sauer
Smith and Wesson
Steyr - Mannlicher
Mannlicher 1905
Taurus
85
Taurus PT-945
Taurus PT-940
Taurus PT-111/138/140
Taurus PT 92 99 100 101
Walther
Walther PP
Walther P-22
Walther P-38
Walther P-99
Winchester
Winchester 62A
Winchester 63
Winchester 70
Winchester 190
Winchester 1300
Winchester 1400
Winchester 1892
Winchester 9422
Winchester 94 AE
Tanfoglio
Tanfoglio GT-27
Percutores varios
Shot Buffers
Aparatos de punteria - Varios
Culatas - Chimazas - Pistol Grips
Partes antiguas
Kit de repuestos
Kit de Resortes para armas
Hatsan
Accesorios
Cachas
Militaria
Optica
Miras telescopicas
Colimadores
Prismáticos y telémetros
Pistoleras
Pistoleras externas
Pistoleras internas
Portacargadores
Montajes
Anillas
Bases
Arma Corta
Subfusiles
Escopeta
Pistola
Glock
Hi Power
Fusil - Subfusil
Revolver
Escopeta
Chokes
Mantenimiento
Cepillos y baquetas
Kits de limpieza
Municion Inerte
Fuerzas de seguridad
Libros y manuales
Correas - Portacorreas
Herramientas
Bipodes
Lasers y linternas
Protección y seguridad
Maletines para armas
Cajas Porta Munición
Cargadores
Arma corta
Arma larga
Escopeta
Cargador rápido
Varillas
Más info
Quiénes Somos
Preguntas Frecuentes
Cambios y Devoluciones
Cómo Comprar
Contacto
DESCARGABLES
Al navegar por este sitio
aceptás el uso de cookies
para agilizar tu experiencia de compra.
Entendido
(
)
x
¡Agregado al carrito!
¡Descuento exclusivo!
Carrito de compras
El carrito de compras está vacío.
¡Uy! No tenemos más stock de este producto para agregarlo al carrito. Si querés podés
ver otros acá
¡Genial! Tenés envío gratis
¡Estás a
de tener
envío gratis
!
Envío gratis
superando los
$160.000,00
ARS
Subtotal
(sin envío)
:
$0,00
Precio sin impuestos :
$0,00
Descuento
en
todos los productos
comprando
o más
El medio de envío que habías elegido ya no se encuentra disponible para este carrito.
¡No te preocupes! Podés elegir otro.
Entregas para el CP:
Cambiar CP
Medios de envío
Calcular
No sé mi código postal
No encontramos este código postal. ¿Está bien escrito?
Ocurrió un error al calcular el envío. Por favor intentá de nuevo en unos segundos.
El calculo falló por un problema con el medio de envío. Por favor intentá de nuevo en unos segundos.
Nuestros locales
Ver opciones
Ocultar opciones
Armeria Gun Parts - Avenida Independencia 1431, CABA. Horario a convenir. CP 1100 TEL 011 42827381 - Whatsapp 1124703102
Gratis
Gun Parts Tiro Federal de Lomas de Zamora - Dentro del Tiro Federal de Lomas de Zamora. Al lado de la cancha de Fusil. Juan XXIII 3060. Miércoles a domingos y feriados de 10 a 18 hs. Whatsatpp / Tel 1153488657
Gratis
Total:
$0,00
O
$0,00
con
Total: $0,00
El monto mínimo de compra es de $0,00 sin incluir el costo de envío
Ver más productos
¡Agregado al carrito!
(
)
x
Total
(
0
productos):
producto):
$0,00
Ver carrito
Sin stock
Gratis
Inicio
>
Repuestos
>
Ruger
>
Revolver Ruger
>
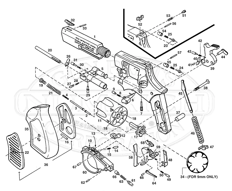
PIEZA #28 REVOLVER RUGER SP100-101
PIEZA #28 REVOLVER RUGER SP100-101
-
0
%
OFF
$22.000,00
Precio sin impuestos
$18.181,82
$0,00
con
0% de descuento
pagando con
No acumulable con otras promociones
Ver más detalles
Envío gratis
superando los
$160.000,00
No acumulable con otras promociones
¡No te lo pierdas, es el último!
Agregar al carrito
¡Listo!
Ya agregaste este producto.
Ver carrito
¡Agregá este producto y
¡Agregá uno más y
tenés envío gratis!
¡Genial! Tenés envío gratis
Entregas para el CP:
Cambiar CP
Medios de envío
Calcular
No sé mi código postal
No encontramos este código postal. ¿Está bien escrito?
Ocurrió un error al calcular el envío. Por favor intentá de nuevo en unos segundos.
El calculo falló por un problema con el medio de envío. Por favor intentá de nuevo en unos segundos.
Nuestros locales
Ver opciones
Ocultar opciones
Armeria Gun Parts - Avenida Independencia 1431, CABA. Horario a convenir. CP 1100 TEL 011 42827381 - Whatsapp 1124703102
Gratis
Gun Parts Tiro Federal de Lomas de Zamora - Dentro del Tiro Federal de Lomas de Zamora. Al lado de la cancha de Fusil. Juan XXIII 3060. Miércoles a domingos y feriados de 10 a 18 hs. Whatsatpp / Tel 1153488657
Gratis
Medios de pago
Pagos Personalizados
Hasta 0% OFF
MODO
Hasta 0% OFF
Transferencia bancaria
0% de descuento
pagando con Transferencia bancaria
Total:
$22.000,00
$22.000,00
$22.000,00
El descuento se aplicará sobre el precio del producto (sin envío) al elegir el medio de pago.
No acumulable con otras promociones
Tarjetas de crédito
0% de descuento
pagando con Tarjetas de crédito
Total en 1 pago:
$22.000,00
$22.000,00
$22.000,00
con todas las tarjetas.
El descuento se aplicará sobre el precio del producto (sin envío) al elegir el medio de pago.
No acumulable con otras promociones
O pagá en
1
cuota
de
$22.000,00
sin interés
CFT: 0,00% | TEA: 0,00%
Total
$22.000,00
Tarjetas de débito
0% de descuento
pagando con Tarjetas de débito
Total:
$22.000,00
$22.000,00
$22.000,00
El descuento se aplicará sobre el precio del producto (sin envío) al elegir el medio de pago.
No acumulable con otras promociones
Productos relacionados
Sin stock
Gratis
Terminacion
Pavonado
Inoxidable
Terminacion:
Pavonado
Pavonado
Inoxidable
Agregar al carrito
¡Listo!
GUIA REVOLVER RUGER
-
0
%
OFF
$71.500,00
$0,00
$0,00
con
Comprar
Sin stock
Gratis
PIEZA #43 REVOLVER RUGER
-
0
%
OFF
$27.500,00
$0,00
$0,00
con
Comprar
Sin stock
Gratis
PIEZA #30 REVOLVER RUGER SP100-101
-
0
%
OFF
$22.000,00
$0,00
$0,00
con
Comprar
Sin stock
Gratis
PIEZA #31 REVOLVER RUGER SP100-101
-
0
%
OFF
$33.000,00
$0,00
$0,00
con
Comprar
Sin stock
Gratis
MARTILLO REVOLVER RUGER SINGLE SIX USADO
-
0
%
OFF
$71.500,00
$0,00
$0,00
con
Comprar
Sin stock
Gratis
PIEZA #26 REVOLVER RUGER SP100-101
-
0
%
OFF
$49.500,00
$0,00
$0,00
con
Comprar
Sin stock
Gratis
PIEZA #29 REVOLVER RUGER SP 100-101
-
0
%
OFF
$33.000,00
$0,00
$0,00
con
Comprar
Sin stock
Gratis
CACHAS HOGUE RUGER REDHAWK 357 / 44
-
0
%
OFF
$103.400,00
$0,00
$0,00
con
Comprar
$0,00
con